Seite 1 von 1
OperationsVerstärker verstehen lernen.
Verfasst: Mi 24. Mär 2021, 23:18
von Admin
Ich habe jetzt seit ein paar Tagen ein für mich neues Thema. Die Operationsverstärker. Ich habe mir dafür ein Buch zu dem Thema besorgt, ausserdem einen Satz Platinen, mit denen ich verschiedene Grundanwendungen mit den OP-Verstärkern aufbauen kann. Eine davon habe ich beim Bauteile einlöten vermurkst, oder sie war schon vermurkst. Da fand ich den Fehler leider nicht. Naja, da ich mir die Platine gleich 8x besorgt habe, ist das nicht soooo tragisch. Auf den Platinen kann man verschiedene Grundschaltungen aufbauen, indem man sie mit verschiedenen Bauteilen versieht und verschiedene Brücken einlötet. So kann man dann die verschiednen Aufbauten durchmessen und durchrechnen, so dass man die dann (so meine Hoffnung) versteht. Mal schauen wie es sich entwickelt. Ich hatte mit denen nie zu tun. Interesse hatte ich schon lange an den Käferchen´s, aber es hat sich nie ergeben. Naja, sage niemals nie, hat mal jemand gesagt. Also muss ich jetzt da durch.

Die Bilder von den Platinen sind jeweils Vorder- und Rückseite. Und das Buch hoffe ich kann mich auch ein wenig erhellen

- 81EKN74jXVL._SL1500_.jpg (185.06 KiB) 12429 mal betrachtet

- 41Ek3pChCaL._SX330_BO1,204,203,200_.jpg (23.03 KiB) 12429 mal betrachtet
Re: OperationsVerstärker verstehen lernen.
Verfasst: Mi 24. Mär 2021, 23:54
von Admin
Ich bin zu dem Thema eigentlich über zwei Dinge gekommen, die gerade bei mir Thema waren. Das eine ist ein Mikrofon Verstärker, der über den Operationsverstärker die Spannung eines Mikros bis zu 1500 fach vestärkt. Das zweite Thema ist der Max 6675 Temperatur-Sensor, bei dem ich fälschlich angenommen habe, dass der mit Widerstandsveränderung auf Temperatur-Veränderung reagiert. Aber weit gefehlt. Er reagiert mit Spannungen im mV Bereich. Deshalb ist es auch hier wichtig einen Verstärker zu haben, der die Spannung deutlich verstärkt.
Ja, das ist eine recht umfangreiche Geschichte, mit den OP-Verstärkern, die ich mit meinen beiden Themen erst mal nur ankratze.
Franz
Hier ein Bild von einem Test mit der 10 fachen Verstärkung. Ein Volt rein, 10 + 1 Volt raus. Am Bild daneben ist der Mikrofon Verstärker der 1500x Verstärkt.

- OP_Verstärker01.jpg (171.43 KiB) 12423 mal betrachtet
.
Meine Widerstände R1 und R2 für den Spannungsteiler sind nicht sehr genau. Deshalb habe ich sie gemessen um damit rechnen zu können. Der R2 hat 119,83 KOhm (170 Ohm zu wenig) und der R1 hat 11,997 KOhm (3 Ohm zu wenig). Daraus ergibt sich eine Ua von 10,9884 Volt inkl. Ue
Ua = Spannung am Ausgang
Ue = Spannung am Eingang
Das war der nicht invertierende OP-V. Hier eine Schaltung davon:
.

- Nicht invertierender OP-V.JPG (21.4 KiB) 12403 mal betrachtet
Re: OperationsVerstärker verstehen lernen.
Verfasst: Do 25. Mär 2021, 16:37
von Admin
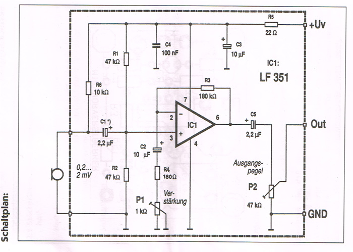
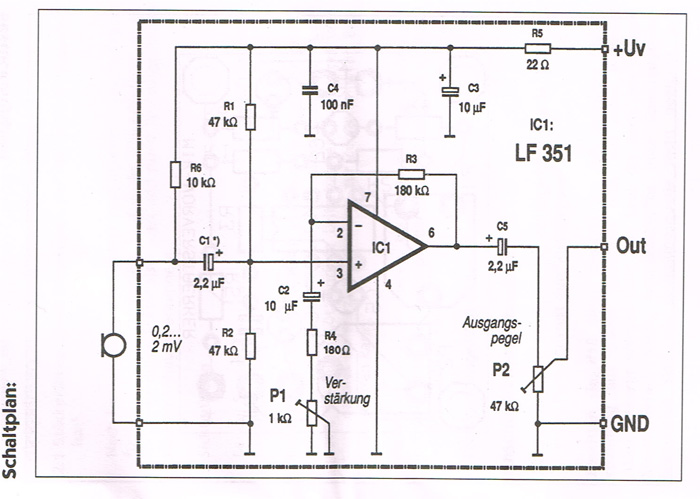
Hier habe ich noch den MikrofonVerstärker. Eine Schaltung die bis zu 1500x Verstärkt. Das alles mit einem Baustein, das ist schon schön. Das ist ein nicht Inventierender Verstärker. Über R3 und R4 wird die Verstärkung wieder eingestellt. Ich sehe an dem Widerstandswerten allerdings keine 1500 Fache Verstärkung. sondern eine 1000 Fache. Aber ich denke mal, das Problem ist, dass ich mich damit noch nicht auskenne. Ich werde auch diese Schaltung natürlich messen, um die Verstärkung sehen zu können.
Hier mal die Schaltung:
.

- MikrofonVerstärker02.jpg (111.91 KiB) 12412 mal betrachtet
Re: OperationsVerstärker verstehen lernen.
Verfasst: So 28. Mär 2021, 11:25
von Admin
Mit dem invertierenden OP-V hatte ich so meine Probleme beim anschließen.
Dass man am GND einen Plus anschließt ist nun mal "ungewöhnlich"
Aber man schießt in dem Fall den VCC der Kleinspannung am GND an, genauso wie den IN plus. Und den Minus der Eingangsspannung auf den IN minus des OP-V. Das widerstrebt einem.
Hier mal die Schaltung dazu:
.

- Inventierender Verstärker IN1_ OUT10.JPG (20.23 KiB) 12402 mal betrachtet
Re: OperationsVerstärker verstehen lernen.
Verfasst: So 28. Mär 2021, 20:42
von Admin
Die OP-Verstärker sind jetzt nicht mein Gebiet. Ganz im Gegenteil, hier erkläre ich nichts, sondern hier lerne ich auch nur, wie man sie verwendet, und wofür.

Ich frage auch parallel in einem anderen Forum, wenn mir was nicht klar ist. So stellte ich gerade die Frage nach dem Sinn eine invertierenden Operations Verstärkers. Also wofür konkret brauche ich ihn? Mit der Eingangsspannung, die ich hier in der Schaltung oben verwende, könnte ich ja auch einen nicht invertierenden Verstärker verwenden, was ich ja eigentlich auch tun würde. Diese Anschaltung hier oben habe ich ja nur aufgebaut, um den invertierenden OP-V zu testen, also seine 10 fache Verstärkung zu überprüfen. Aber eigentlich würde ich das mit einem nicht invertierenden OP-V machen.
Das heißt, ich kann das nur auflösen, wenn ich die Antwort auf diese Frage auch bekomme
Aber ich denke das wird kein Problem, weil dort recht fähige Elektroniker sind.
Also bis später.
Franz

Re: OperationsVerstärker verstehen lernen.
Verfasst: Di 30. Mär 2021, 17:33
von Admin
Naja, die Antwort ist auch im anderen Forum nicht so ausgefallen wie ich mir das dachte. Ein konkreter Anwendungsfall für den invertierender OP-V wurde auch nicht aufgezeigt. Also ist dieser OP-V erst mal erledigt.
Franz